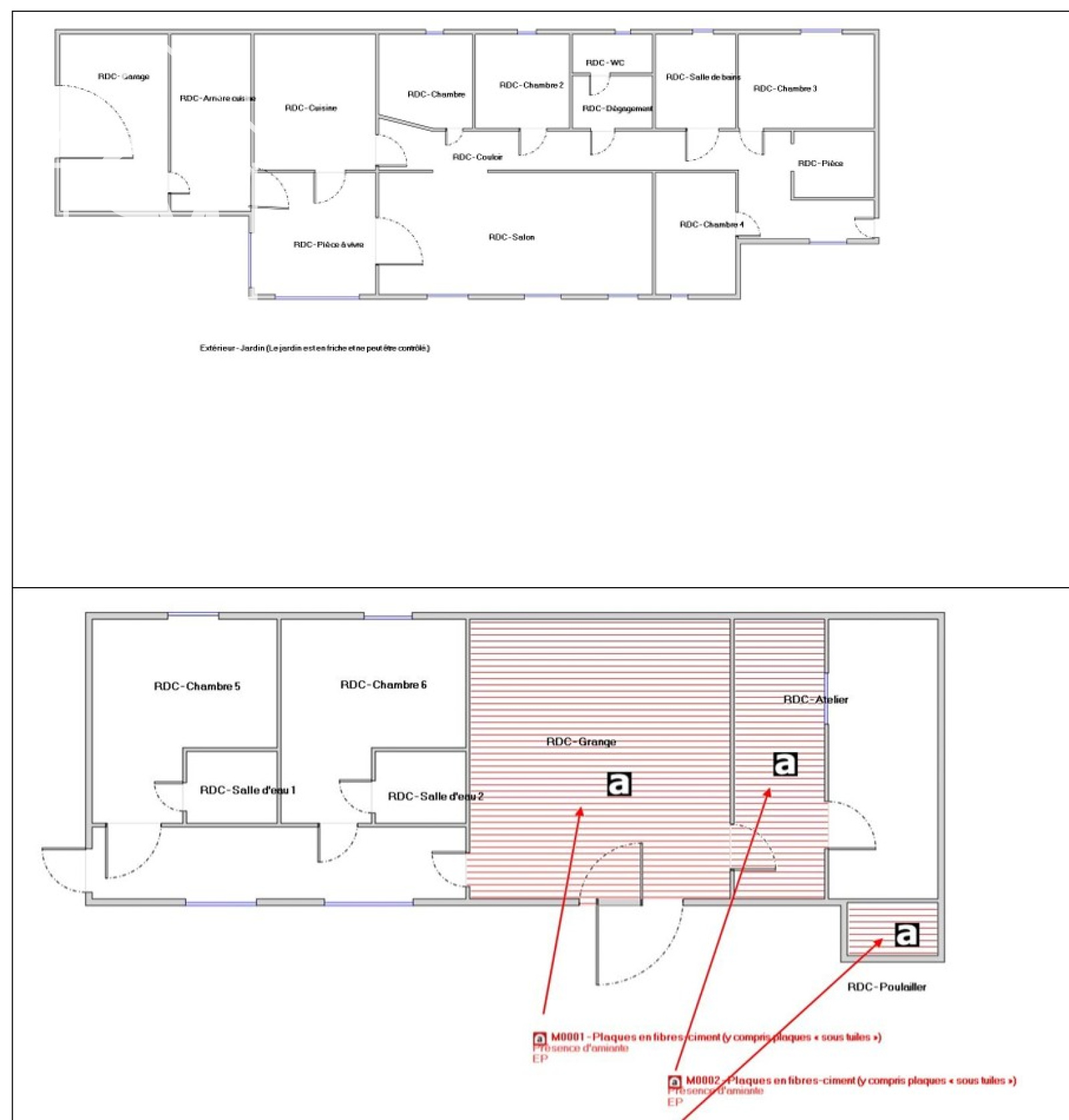
Maison d'habitation composée d'un rez de chaussée élevé sur terre plain comprenant grande véranda, cuisine, séjour avec cheminée et insert, arrière cuisine, trois chambres, wc et rangements, salle de bain, une chambre avec salle d'eau et wc, une chambre avec wc.
Deux garages, deux dépendances.
Terrain 2515 m² autour clôturé.
